微图坊
政府信息公开
政策
法律
行政法规
部门规章
地方法规
政府规章
政策文件
行政规范性文件
法治宣传
政策解读
部门解读
媒体报道
政策图解
新闻发布会
视频
卡通动画
政府信息公开指南
政府信息公开制度
法定主动公开内容
机构职能
机构职能
机构动态
人事信息
公务员招录
职称审批
人事任免
微图坊公告
财政预决算公开
建议提案
权责清单
行政许可公示
行政处罚公示
政府采购
规划信息
重大决策预公开
意见征集
意见反馈
标准公告
其他对外管理服务信息公开
政府信息公开年报
依申请公开
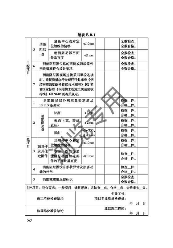
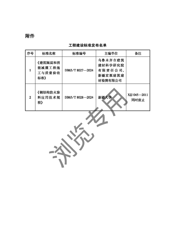
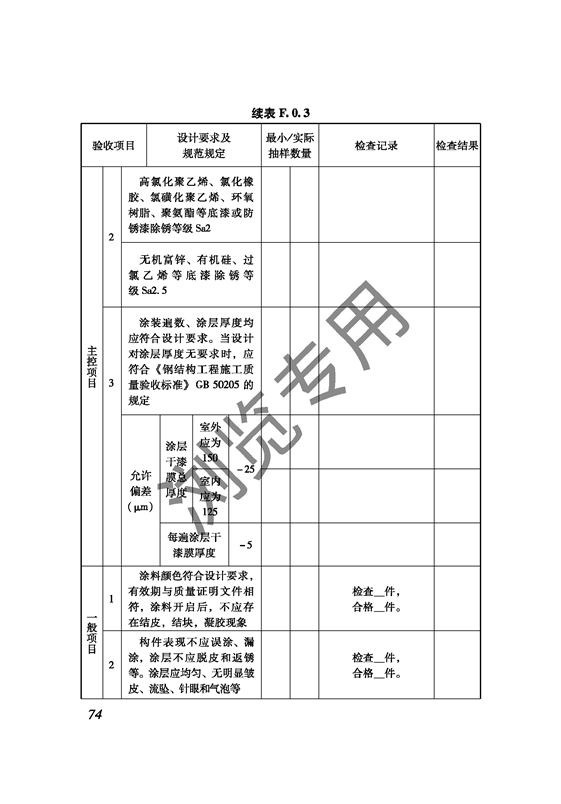
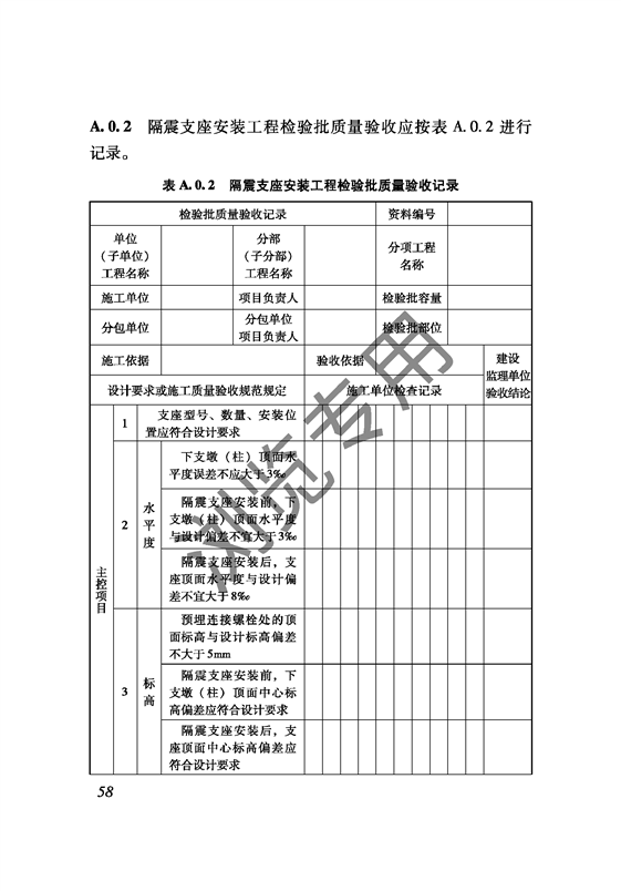
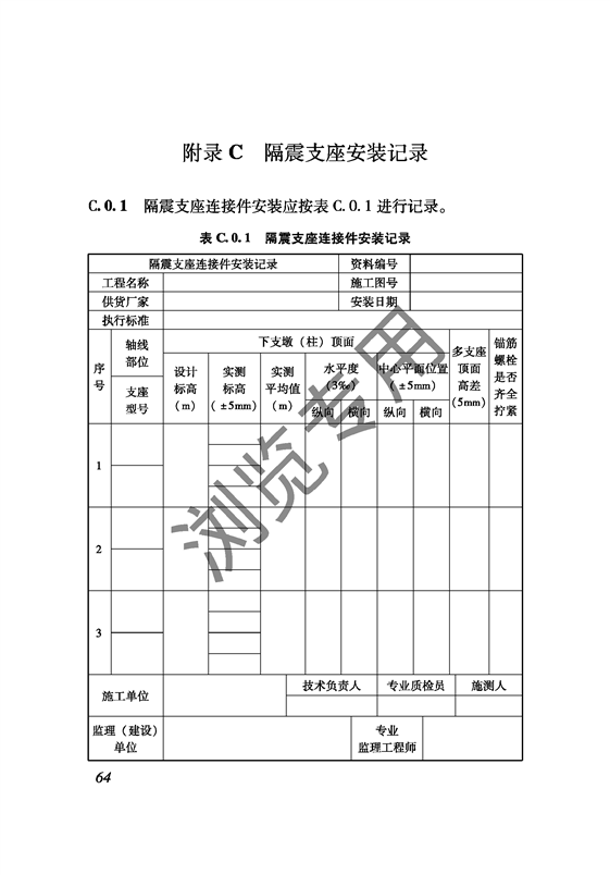
DB65T 8027-2024建筑隔震和消能减震工程施工与质量验收标准
来源:标定处
作者:
发布时间: 2025年04月25日
点击数:
附件:
DB65T 8027-2024建筑隔震和消能减震工程施工与质量验收标准.pdf
关联稿件:
无障碍
登录
注册
个人中心
退出登录